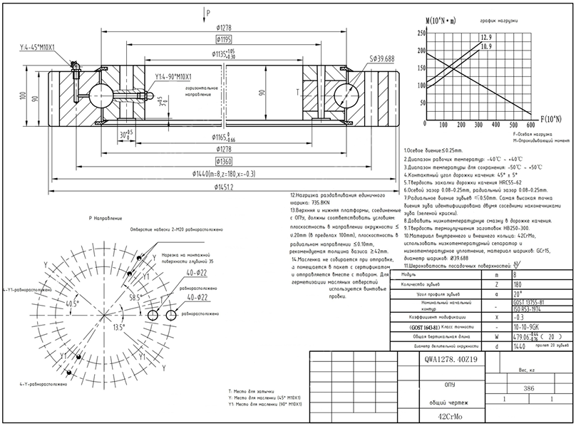
Опора поворотная для автокрана Галичанин-32-35-тонн-WQA-1278.40Z19

320 000 ₽